星空网官网首页入口_星空(中国)

Language 语言

技术专题

8月 03 2016

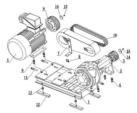
冠能剪切泵

序号 故障 原因 排除方法
1 轴功率过大
  • 1、叶轮与泵壳端面或叶轮与衬套发生摩擦或副叶轮发生摩擦。
  • 2、泵在比设计点扬程低得多的条件下运行。
  • 3、填料压盖压得太紧。
  • 4、皮带打滑。
  • 1、调整叶轮与泵壳端面及叶轮与衬套的间隙,或副叶轮的间隙,消除摩擦。
  • 2、检查所配工作机是否符合要求,并关小排出阀门,保证剪切泵在设计扬程工作。
  • 3、重新调整压盖紧固力。
  • 4、张紧皮带(检查两皮带轮安装位置是否合适)。。
2 扬程下降流量下降
  • 1、大块颗粒堵塞吸入管和叶轮流道。
  • 2、泵转速下降。
  • 3、叶轮磨损。
  • 4、叶轮与泵壳端面间隙过大,泄漏增大。
  • 5、进口阀门开度太小。
  • 1、清除堵塞物。
  • 2、使泵在额定转速下运行。
  • 3、更换叶轮。
  • 4、调整叶轮与泵壳端面的间隙。
  • 5、开大进口阀门。
3 轴承过热
  • 1、润滑油太多或太少。
  • 2、油中有杂质。
  • 3、轴承磨损。
  • 1、使油面保持在油标规定位置。
  • 2、更换润滑油。
  • 3、更换轴承。
4 剪切泵运行产生振动和异常噪声
  • 1、叶轮磨损不平衡。
  • 2、轴承磨损。
  • 3、联接松动。
  • 4、泵产生汽蚀。
  • 1、更换叶轮。
  • 2、更换轴承。
  • 3、紧固各松动部位。
  • 4、改善吸入条件,防止空气进入泵内。
5 密封泄漏严重
  • 1、机封损坏。
  • 2、轴套磨损严重。
  • 3、密封填料磨损过大。
  • 4、盘根环斜卷。
  • 5、杂质、异物进入盘根环。
  • 6、盘根环斜口一致。
  • 1、更换机封。
  • 2、更换轴套。
  • 3、装填新的盘根环。
  • 4、重新组装盘根环。
  • 5、清除杂质、异物,清洗密封件。
  • 6、重新按要求错位装填盘根环。